SFNHJL
SFNHJL
帶燈輕觸開關
/ TV / Monitor / Game Player / Instrument
‧Horizontal operaton.
‧Various LED colors.
‧Options of different cap color & mark
APPLICATIONS
‧ For operating various electronic equipment such as audio devices、office equipment、communication devices、measuring instruments、TVs、video recorders etc.
產品說明
COMMON SPECIFICATIONS
| Characteristics | Specification |
|---|---|
| Operating temperature range | -20℃ to +70℃ |
| Operating force | 160gf |
| Travel | 0.25mm |
| Dimension | 7.0 * 7.4 * 11.8mm |
| Operating life | 100,000 cycles |
| Stopper strength | 3 Kgf / 60 sec |
| Maximum ratings | DC12V 50mA |
| Insulation resistance | 100MΩ min |
| Voltage proof | 1 minute 250V AC |
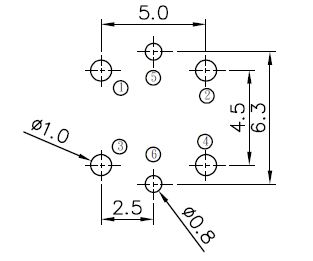
DIMENSIONS
Unit:mm
| Model | Dimensions | |
|---|---|---|
| SFNHJL SERIES | ||
| PC board t=1.0 or 1.6mm Mounting Dimension | Circuit Diagram | |
| SFNHJL WITH CAP SERIES | ||
| PC board t=1.0 or 1.6mm Mounting Dimension | Circuit Diagram | |
