RD12L
12mm 附固定腳絕緣軸迴轉式可變電阻器
FEATURE‧Insert-molding with resin applied around the resistor assures high flux resistance.
‧Since a variety of types are available, they can be used for awide range of products including audio equipment.
‧Units can be provided with bushing, tap and detent.
APPLICATIONS
‧ Various potentiometers for radios, radios-cassette recorders, amplifier-mixers, etc.
產品說明
COMMON SPECIFICATIONS
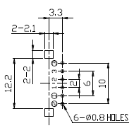
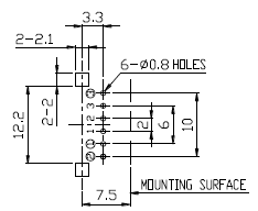
DIMENSIONS
Unit:mm
| Model | Dimensions | |
|---|---|---|
| RD12L SERIES | ||
| PC board t=1.0 or 1.6mm Mounting Dimension | Circuit Diagram | |
| RD12L SERIES | ||
| PC board t=1.0 or 1.6mm Mounting Dimension | Circuit Diagram | |
| RD12L SERIES | ||
| PC board t=1.0 or 1.6mm Mounting Dimension | Circuit Diagram | |
| RD12L SERIES | ||
| PC board t=1.0 or 1.6mm Mounting Dimension | Circuit Diagram | |
| RD12L SERIES | ||
| PC board t=1.0 or 1.6mm Mounting Dimension | Circuit Diagram | |
