產品說明
COMMON SPECIFICATIONS



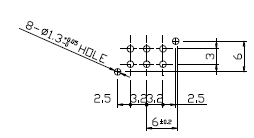
DIMENSIONS
Unit:mm
| Model | Dimensions | |
|---|---|---|
| SPPJ2 SERIES | ||
| PC board t=1.0 or 1.6mm Mounting Dimension | Circuit Diagram | |
| SPPJ2 SERIES | ||
| PC board t=1.0 or 1.6mm Mounting Dimension | Circuit Diagram | |
