DC12K / G
12mm 編碼器
FEATURE
‧High-precision rotary type encoder.‧Compact design, long life and high reliability.
‧Low cost as compared with optical type.
‧Available in a wide variety of line up to meet all user needs.
APPLICATIONS
‧ All kinds of level control, tuning and timer setting in audio-visual equipment, ordinary household electric appliances, radio equipment, communications equipment, etc.
產品說明
COMMON SPECIFICATIONS
| Pulse | Number of detent | Phase difference (msec) | Chattering (msec) | Sliding noise (msec) | Insulation resistance | Dielectric strength | Detent torque (gf‧cm) | Rotationallife (cycle) |
| 12 | 0 | 4 | 3 | 2 | 250V DC 100MΩ MIN | 300V AC 1 min | 30~200 (0 DETENT: 50gf.cm以下) | 30,000 |
| 12 | ||||||||
| 24 | ||||||||
| 24 | 0 | 3.5 | 3 | 2 | ||||
| 24 |
SWITCH SPECIFICATIONS
Rating | Contact resistance | Insulation resistance | Dielectric strength | Contact arrangement | Travel of switch (mm) | Operating force (gf) | Operating life(cycle) |
DC 5V10 mA | 100 mΩ | 250V DC 100MΩ MIN | 300V AC 1 min | PUSH ON | 0.5 | 300+150/-100 | 20,000 |
PRODUCT NUMBERING SYSTEM

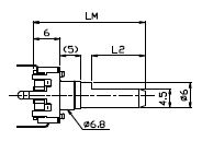
STANDARD DIMENSION OF SHAFT AND BUSHING
| Without Switch | 0.5mm Switch Stroke | With Bushing (Without Switch) | With Bushing (0.5mm Switch Stroke) | ||||||||
| LM | L2 | LM | L2 | LM | LB | L1 | L2 | LM | LB | L1 | L2 |
| 17.5 | 5 | 15 | 3 | 17.5 | 5 | 12 | 5 | 15 | 5 | 8.5 | 3 |
| 20 | 7 | 17.5 | 5 | 20 | 7 | 14.5 | 7 | 17.5 | 5 | 11 | 5 |
| 25 | 12 | 20 | 7 | 25 | 7 | 19.5 | 12 | 20 | 5 | 13.5 | 7 |
| 30 | 12 | 25 | 12 | 30 | 7 | 24.5 | 12 | 25 | 5 | 18.5 | 12 |
| - | - | 30 | 12 | - | - | - | - | 30 | 7 | 23.5 | 12 |
DIMENSIONS
Unit:mm
| DC12K24201 Hollow shaft horizontal type | ||
| DC12K24202 horizontal type | ||
| DC12K24212 with push on switch –0.5mm horizontal type | ||
| DC12K24203 Hollow shaft vertical type | ||
| DC12K24203 Hollow shaft vertical type | ||
| DC12K24214 with push on switch –0.5sw vertical type | ||
| DC12G24212 horizontal type | ||
| DC12G24204 vertical type | ||
| DC12G24214 vertical type | ||
