產品說明
COMMON SPECIFICATIONS
| Characteristics | Specification |
| Total resistance (KΩ) | 5、10、20、50、100、250 |
| Total resistance tolerance | ±20% |
Resistance taper | A、B、C、D、E、K、W |
| Rated power | 0.05W |
| Maximum operating | 50V AC 10V DC |
| Total rotational angle | 300±5˚ |
| Rotational torque | 10~100gf.cm |
| Rotation stopper strength | 3Kgf.cm |
| Rotation life | 15,000 cycles |
PRODUCTS NUMBERING SYSTEM

SHAFT TYPE
| Shaft dimensions | Shaft angle |
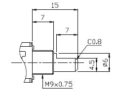
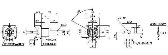
DIMENSIONS
Unit:mm
| Model | Dimensions | |
|---|---|---|
| single unit RD12CM14 | ||
