福華電子股份有限公司

開啟搜尋
CLOSE
SEARCH

PRODUCTS 產品介紹

RFA0J

附馬達薄型滑動式可變電阻器

FEATURE
Programmable and precise slide pattern.
Touch sensitive lever which enables fader to the slightest physical contact.

APPLICATIONS
Master volume control in high-grade audio equipment fader for studio mixer, etc.

產品說明

COMMON SPECIFICATIONS

Characteristics  Specification
Operating temperature range-10  to  +70
Operating force20 ~ 130 gf
Stopper strength5 Kgf / 10 sec
Lever push-pull strength5 Kgf / 10 sec
Lever wobble (mm)2 (2xL/25)  (Both sides)
Lever deviation (mm)0.5 max.  (One side)
Solder heat resistanceLower than 260 for less than 5 seconds
Total resistance (KΩ)5、10、20 、50 、100 、250 、 500
Total resistance tolerance±20%
Resistance taperA,B,C
Insulation resistance100MΩ min. 250V DC
Voltage proof1 minute 250V AC
Sliding service life50,000 cycles
Rated voltage10V D.C
Maximum current400~800mA



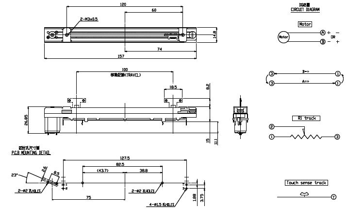
DIMENSIONS

Unit:mm
ModelDimensions
RFA0J
GO TOP